



Nowosolar NWS-75 — компактний радіальний вентилятор примусового наддуву для твердопаливних котлів. Стабілізує горіння та підвищує ККД завдяки контрольованій подачі повітря. На виході встановлена автозаслінка, що автоматично перекриває канал після зупинки, зменшуючи підсмоктування диму в приміщення.
Металевий корпус із порошковим покриттям та сталева крильчатка забезпечують довговічність у важких умовах котельні. Живлення стандартне — 230 В / 50 Гц, сумісний з більшістю контролерів котлів, які керують наддувом.
Вартість і строки доставки уточнюйте під час оформлення замовлення.
Параметр | Значення |
---|---|
Тип | Радіальний вентилятор наддуву для котлів C.O. |
Живлення | 230 В ~ 50 Гц |
Споживана потужність | до ~80 Вт* |
Рівень шуму | прибл. 60–65 dB(A)* |
Матеріали | Корпус — метал із покриттям; крильчатка — сталь |
Захист | Вхід — захисна решітка/екран; вихід — автоматична заслінка |
Діапазон t° довкілля | 0…+40 °C* |
Маса | ≈ 1,8–2,0 кг* |
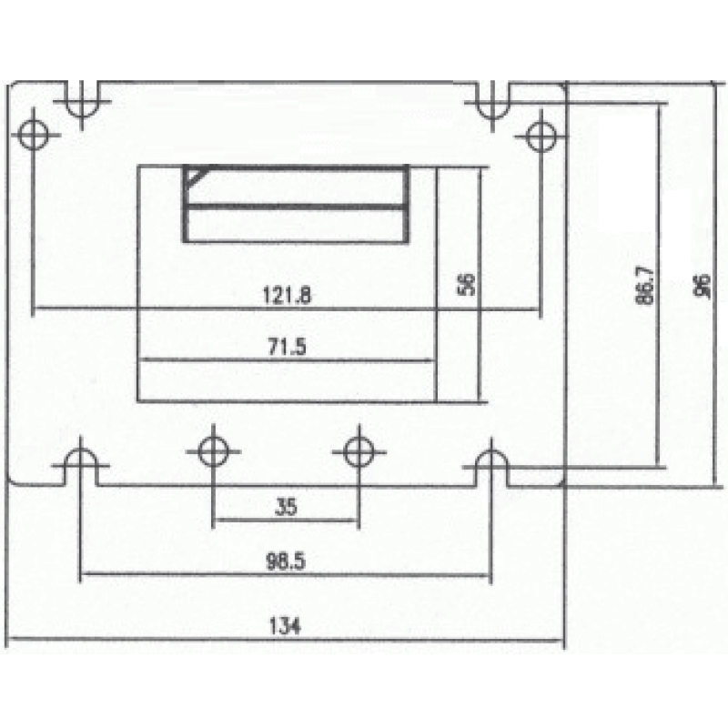
Посадковий фланець | вузького типу; звіряйте з шаблоном дверцят котла |
Сумісність | Більшість контролерів котлів із виходом керування 230 В |
Країна/бренд | Польща / Nowosolar |
* Точні значення залежать від ревізії/умов і наведені в паспорті конкретної моделі.
Звірте тип посадкового фланця на дверцятах котла та наявність керування вентилятором 230 В у вашій автоматизації.
Вона перекриває канал після зупинки вентилятора — менше запахів і підсмоктування димових газів у приміщення.
Це залежить від вашого контролера котла. Більшість автоматик мають ступінчасте або плавне керування.
Відгуків про цей товар ще не було.
Немає відгуків про цей товар, станьте першим, залиште свій відгук.
Немає питань про даний товар, станьте першим і задайте своє питання.